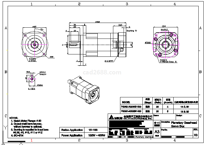
行星减速机图纸 行星减速机选型 台达精密型高精密型行星减速机DWG格式
欢迎来到CAD2688网 登录 免费注册
全部商品分类

行星减速机图纸 行星减速机选型 台达精密型高精密型行星减速机DWG格式

商品编号: XXJSJTZTDJMGJM001

我要买:
分享到: 更多
  • 著作权介绍
  • 产品介绍
  • 视频展示
  • 购买评论
  • 产品问答
  • 购买须知
  • 试用下载
行星减速机图纸  行星减速机选型 台达精密型高精密型行星减速机DWG格式产品为0元购产品,注册会员后,即可免费购买0元购产品,在订单详细信息中点击下载链接,即可下载该模型文件库!


行星减速机图纸  行星减速机选型 台达精密型高精密型行星减速机DWG格式分类及内容截图如下:







  • 机械
  • 电气
  • 化工
  • 模具
  • 更多

京公网安备 11011102002233号