- 著作权介绍
- 产品介绍
- 视频展示
- 购买评论
- 产品问答
- 购买须知
- 试用下载
公司简介
力姆泰克成功消化欧洲先进的技术和工艺,迅速成长为国内规模最大的电动推杆/螺旋升降机/伺服电动缸专业厂家, 为国内直线传动行业引领全新发展方向, 随着工业4.0的逐渐普及和绿色清洁产品革命, 力姆泰克产品作为工业自动化机器人重要组成部分将会得到长足的发展。登陆新三板只是我们二次腾飞的起点,我们将再投资8000万引进先进的加工设备,扩大生产规模达到年产5万台产品,将力姆泰克建成世界最有竞争力的电动推杆/螺旋升降机/伺服电动缸专业制造基地。
联系方式
力姆泰克(北京)传动设备股份有限公司
地址:北京通州北关通顺路向北5公里 邮编:101118 24小时联系电话/投诉电话:13801202817
邮箱:info@lim-tec.com
网址:www.lim-tec.com
力姆泰克推杆CAD全套图纸DWG格式产品为0元购产品,注册会员后,即可免费购买下载0元购产品,在订单详细信息中点击下载链接,下载该文件!
力姆泰克推杆CAD全套图纸包括DWG格式,用AUTOCAD2010以上CAD可以打开。
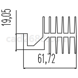
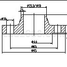
力姆泰克推杆CAD全套图纸DWG格式套图内容如下:











| 

|
力姆泰克推杆CAD全套图纸DWG格式产品为0元购产品,注册会员后,即可免费购买下载0元购产品,在订单详细信息中点击下载链接,下载该文件!
力姆泰克推杆CAD全套图纸DWG格式产品为0元购产品,注册会员后,即可免费购买下载0元购产品,在订单详细信息中点击下载链接,下载该文件!