- 著作权介绍
- 产品介绍
- 视频展示
- 购买评论
- 产品问答
- 购买须知
- 试用下载
公司简介
本公司成立于西元1990年,主要生产滚珠导丝杆、 直线导轨和线性模组 ,精密机械关键性零部件,主要供应机床、放电加工机、线切割机、塑胶注塑机、半导体设备、精密定位及其他各式设备与机器上。近年来投注于相当多的人力及心血于制程改善、产品精度与质量的提升。 2009/5通过BSI认证公司评审OHSAS-18001认证成功,除遵行质量管理系统之要求执行外,近年来更积极推动、落实『RoHS绿色环保系统』及环保管理系统,以期遵照法规依循,达到无污染之作业环境。
银泰科技股份有限公司 | 42946 台中市神冈区大富路20巷71号
TEL:+886-4-25282984 | FAX:+886-4-25120834 | E-Mail:pmi.info@pmi-amt.com.tw
http://www.pmi-amt.com/
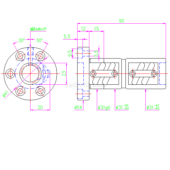
银泰PMI滚珠丝杠直线导轨全套CAD图纸为DWG格式,用AUTOCAD2010以上CAD可以打开,图纸涵盖了银泰所有滚珠丝杠、直线导轨2329套图纸。
银泰PMI滚珠丝杠直线导轨全套CAD图纸DWG格式产品为0元购产品,注册会员后,即可免费购买下载0元购产品,在订单详细信息中点击下载链接,下载该文件!
银泰PMI滚珠丝杠直线导轨全套CAD图纸DWG格式套图内容如下:






















。。。 。。。

| 

|
银泰PMI滚珠丝杠直线导轨全套CAD图纸DWG格式产品为0元购产品,注册会员后,即可免费购买下载0元购产品,在订单详细信息中点击下载链接,下载该文件!
银泰PMI滚珠丝杠直线导轨全套CAD图纸DWG格式产品为0元购产品,注册会员后,即可免费购买下载0元购产品,在订单详细信息中点击下载链接,下载该文件!