- 著作权介绍
- 产品介绍
- 视频展示
- 购买评论
- 产品问答
- 购买须知
- 试用下载
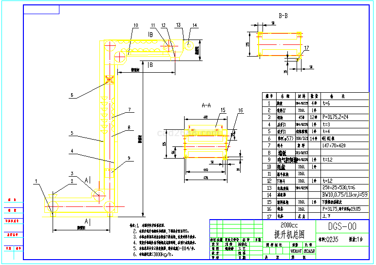
DGS2000cc提升机(套图)CAD格式
备注:1. 本图作技术洽谈使用。
2. 本提升机外包墙体为碳钢,下部具有前后开门。
3. 本机出料部具有点击振动下料结构,负责对料斗清洁。
4. 该提升机链条为不锈钢尼龙滚珠链,以利于水洗清洁。
5. 本机采用台安士林变频器,进给速度0-80斗/分。
6. 本机输送量≤3000kg/h。
在线购买后,即可在订单中点击下载链接,下载该文件!
CAD图形DGS2000cc提升机(套图)CAD格式设计文件包括20张图纸,图形和文件如下:


DGS2000cc提升机(套图)CAD格式
备注:1. 本图作技术洽谈使用。
2. 本提升机外包墙体为碳钢,下部具有前后开门。
3. 本机出料部具有点击振动下料结构,负责对料斗清洁。
4. 该提升机链条为不锈钢尼龙滚珠链,以利于水洗清洁。
5. 本机采用台安士林变频器,进给速度0-80斗/分。
6. 本机输送量≤3000kg/h。
在线购买后,即可在订单中点击下载链接,下载该文件!
DGS2000cc提升机(套图)CAD格式
备注:1. 本图作技术洽谈使用。
2. 本提升机外包墙体为碳钢,下部具有前后开门。
3. 本机出料部具有点击振动下料结构,负责对料斗清洁。
4. 该提升机链条为不锈钢尼龙滚珠链,以利于水洗清洁。
5. 本机采用台安士林变频器,进给速度0-80斗/分。
6. 本机输送量≤3000kg/h。
在线购买后,即可在订单中点击下载链接,下载该文件!