- 著作权介绍
- 产品介绍
- 视频展示
- 购买评论
- 产品问答
- 购买须知
- 试用下载
产品由北京英科宇科技开发中心开发:
北京英科宇科技开发中心是集CAD软件开发、应用、研究为一体的专业软件企业。在近二十年的发展过程中,公司全体员工凝聚心智,齐心协力,经过不懈探索和不断创新,使公司从创业伊始单纯的机械CAD产品发展到今天涵盖机械、电气、化工、建筑四大领域的系列软件产品。
目前,公司产品主要有《机械工程师CAD》,《建筑工程师CAD》,《电气工程师CAD》,《电梯井道设计系统》,《制造业信息化技术平台》等成熟的CAD精品软件。产品性能和市场占有率已遥遥领先于国内外同类产品,用户遍布全国三十个省市自治区,还远播到美国、加拿大、欧洲、澳洲、非洲、日本、新加坡、泰国等地区,并且继续以极快的速度在机械行业内扩展,已有数十万名工程师正在使用它们从事设计工作。公司系列软件产品在赢得市场的同时,也倍受国内外专家瞩目和青睐,产品连续三届荣获中国软件博览会金奖。
今天,公司人才济济,拥有一大批学历高、经验丰富、创新意识强的员工,他们长期从事软件开发和专业设计,正在进行机械、电气、化工、建筑等专业软件的设计研发工作。
“雄关漫道真如铁,而今迈步从头越”。作为国内一家CAD产业的开拓者,在广大客户的鼓励、支持和帮助下,我公司将继续在CAD领域顽强拼搏,勇于进取,大胆创新,追求卓越,不断超越自我,开发出更新、更强、更好的应用软件,为我国民族软件产业的振兴和发展奉献绵薄之力
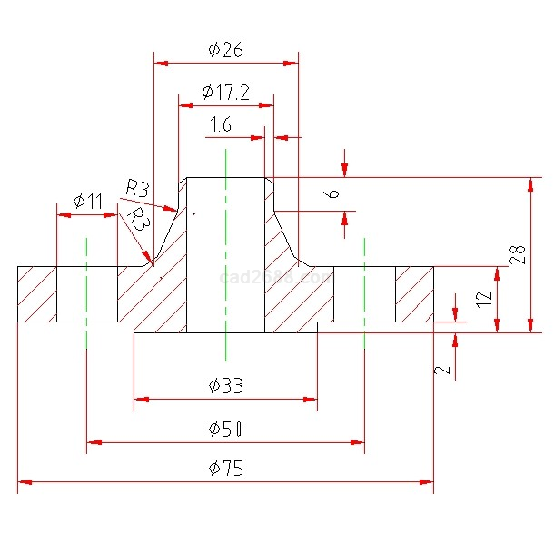
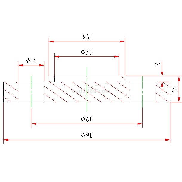
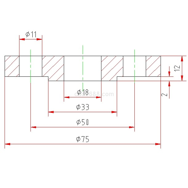
产品包括图库列表:
GB/T9119-2000 突面平焊法兰(RS)
GB/T9115.1-2000 突面对焊法兰(RB)
GB/T9115.2-2000 凸面对焊法兰(MB)
GB/T9115.2-2000 凹面对焊法兰(FB)
GB/T9123.1-2000 突面法兰盖(BR)
GB/T9123.2-2000 凸面法兰盖(BM)
GB/T9123.2-2000 凹面法兰盖(BF)
产品采用注册码加密,购买后请下载正式安装程序,安装后,联系店主或致电英科宇客服索取密码即可。
欢迎您在线购买,购买后,您将得到全新的服务:
独享服务一:在线购买,价格独享,全网最低价;
独享服务二:在线购买,有问必答,您可以根据自己的需要,在线留言提问,您将得到英科宇资深工程师的答疑服务;
独享服务三:在线购买,立即下载,无需邮寄,即时得到自己的宝贝;
独享服务四:在线购买,产品密码存入订单,方便随时查询,全面节约您的电话费;