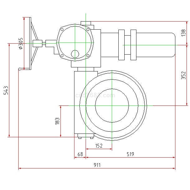
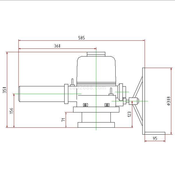
天津百利阀门
欢迎来到CAD2688网 登录 免费注册
全部商品分类

天津百利阀门

商品编号: TJBL001

我要买:
分享到: 更多
  • 著作权介绍
  • 产品介绍
  • 视频展示
  • 购买评论
  • 产品问答
  • 购买须知
  • 试用下载

产品包括图库列表:

SMC-0403

SMC-00012

SMC-345

SMC-0403/HBC

SMC-00012/HBC

SMC-3/H6BC

QT1-QT4

QT5

QT5AQT6QT7

QB1QB2

QB3QB4QB5

00M


  • 机械
  • 电气
  • 化工
  • 模具
  • 更多

京公网安备 11011102002233号