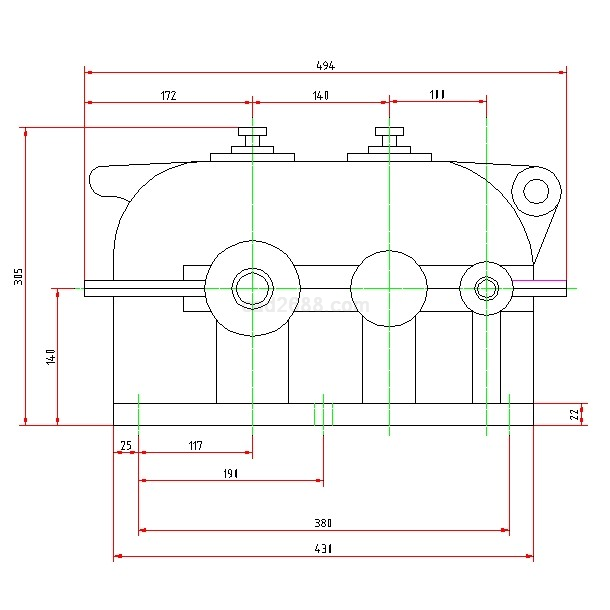
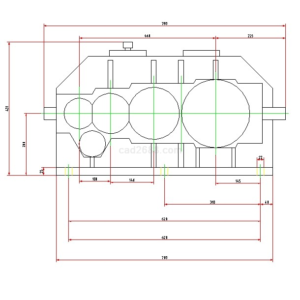
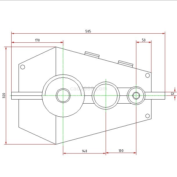
起重机用减速器
欢迎来到CAD2688网 登录 免费注册
全部商品分类

起重机用减速器

商品编号: QZJY001

我要买:
分享到: 更多
  • 著作权介绍
  • 产品介绍
  • 视频展示
  • 购买评论
  • 产品问答
  • 购买须知
  • 试用下载

产品包括图库列表:


JB/T 8905.2-1999  QJR-D

JB/T 8905.2-1999  QJRS-D

JB/T 8905.1-1999  QJRS

JB/T 8905.1-1999  QJR

JB/T 8905.2-1999  QJS-D

JB/T 8905.1-1999  QJS

泰隆减速机    QY34D硬齿面型

泰隆减速机    QY34S硬齿面型

泰隆减速机    QY3D硬齿面型

泰隆减速机    QY3S硬齿面型

泰隆减速机    QY4D硬齿面型

泰隆减速机    QY4S硬齿面型

















  • 机械
  • 电气
  • 化工
  • 模具
  • 更多

京公网安备 11011102002233号