北京拓普锐科技有限公司是一家专业从事2D、3D软件开发、销售及服务于一体的高新技术企业,公司拥有一流的软件产品设计和开发团队,专注于研发具有自主核心技术和知识产权的软件产品,先后成功研发的CAD软件产品和服务均受到机械制造企业和广大设计研究院的青睐;成立至今,我们与国内的数百家企事业单位建立了企业信息化应用服务合作关系,长期结合客户行业特点,为客户提供先进、实用、可靠的信息化技术服务。拓普锐整个团队有20年3D/2D软件二次开发经验,熟练掌握国家标准、企业标准、行业标准以及SolidWorks\UGNX\Pro/E\Creo\AutoCAD深度开发技术,服务的企业涵盖汽车、核电、风电、电梯、化工、建筑塔吊、电力机车、航天航空、船舶、钢铁等行业及产品等。
弹簧计算是由拓普锐公司根据机械设计手册、弹簧生产厂家实际生产及选型需要开发而成,内容包括圆柱螺旋拉伸弹簧计算软件 压缩弹簧 碟簧 板簧计算等常用弹簧设计。
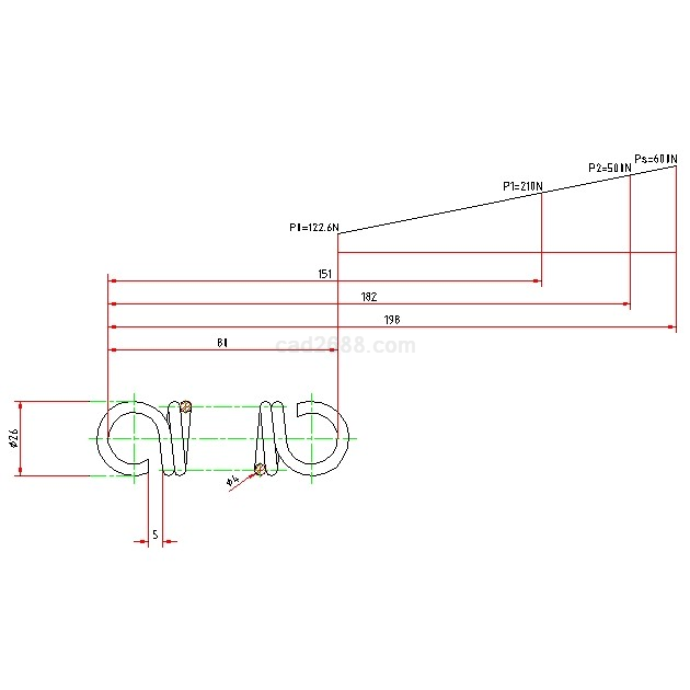
参数如下图:





圆柱螺旋拉伸弹簧设计计算说明书
普通圆柱螺旋弹簧尺寸系列 GB/T 1358-1993
拉伸、压缩弹簧的几何尺寸计算 GB/T1239.6-1992
(1)选择材料和许用切应力
根据设计要求为II类载荷选用油淬火回火碳素弹簧钢丝,初步假设钢丝直径d=6.0 mm。
则其抗拉强度σb=1275.0MPa。许用切应力τp=446.3MPa。
试验切应力的最大值τs=561.0
切变模量G=79000MPa
(2)弹簧钢丝直径
由设定钢丝直径d和弹簧中径D计算其旋绕比C=D/d=3.0
其曲度系数K=1.58
得到钢丝直径计算值d=1.6*(K*C*F2/τp)^0.5=3.04mm
根据GB1358取系列值,取d=6.00mm,与原假设基本接近
(3)弹簧有效圈数
计算弹簧刚度k1=F/f=(F2-F1)/(f2-f1)=(340.0-180.0)/11=14.55N/mm
弹簧有效圈数计算值n=Gd^4/8/D^3/k1=150.87
取实际有效圈数n=55.0
(4)弹簧刚度、载荷和变形量的校核
弹簧刚度k=Gd^4/8nD^3=39.90N/mm
与所需刚度基本符合
计算安装变形量f1=(F1-F0)/k=(180.00-546.64)/39.90=-9.19mm
计算工作变形量f2=(F2-F0)/k=(340.00-546.64)/39.90=-5.18mm
与给定条件接近,故符合要求
(5)试验载荷和变形量
为保证弹簧特性,要求工作载荷F1、F2在试验载荷Fs的20%~80%之间,取F2=0.8Fs,则Fs=F2/0.8=340.00/0.8=425.00N
弹簧试验载荷最大值Fs=πd^3τs/8D=3.14x6.00x6.00x6.00x561/8x18.00=2642.31N
试验载荷Fs小于试验载荷最大值,因此该弹簧是合适的
试验载荷下的变形量fs
fs=(Fs-F0)/k=-3.04862 mm
(6)校核弹簧特性
f1/fs=-9.2/-3.0=3.01,f2/fs=-5.2/-3.0=1.70
不满足工作变形量f1、f2在20%~80%之间的要求
(7)验算疲劳强度
根据C=D/d=18.00/6.00=3.00
曲度系数K=1.58
τmin=8KDF1/πd^3=60.35MPa
τmax=8KDF2/πd^3=114.00MPa
γ=τmin/τmax=0.53
τmax/σb=0.09
从疲劳寿命图可以查得γ和τmax/σb的交点在1x10^7作用次数以下,满足设计要求
(8)其余尺寸参数
自由长度H0=(n+1)*d+2*D1(圆钩环压中心)=88 mm
安装长度H1=H0+f1=78.81mm
工作长度H2=H0+f2=82.821mm
试验长度Hs=H0+fs=84.9514mm
节距p=d=4.00mm
螺旋角α=arctan(p/πD)=4.04611°
展开长度L≈πD1+2*πD=3223.27mm